Kundengruppe: Gast
Schnellkauf

Bitte geben Sie die Artikelnummer aus unserem Katalog ein.

Willkommen zurück!
News
Wir versenden mit DHL Paket

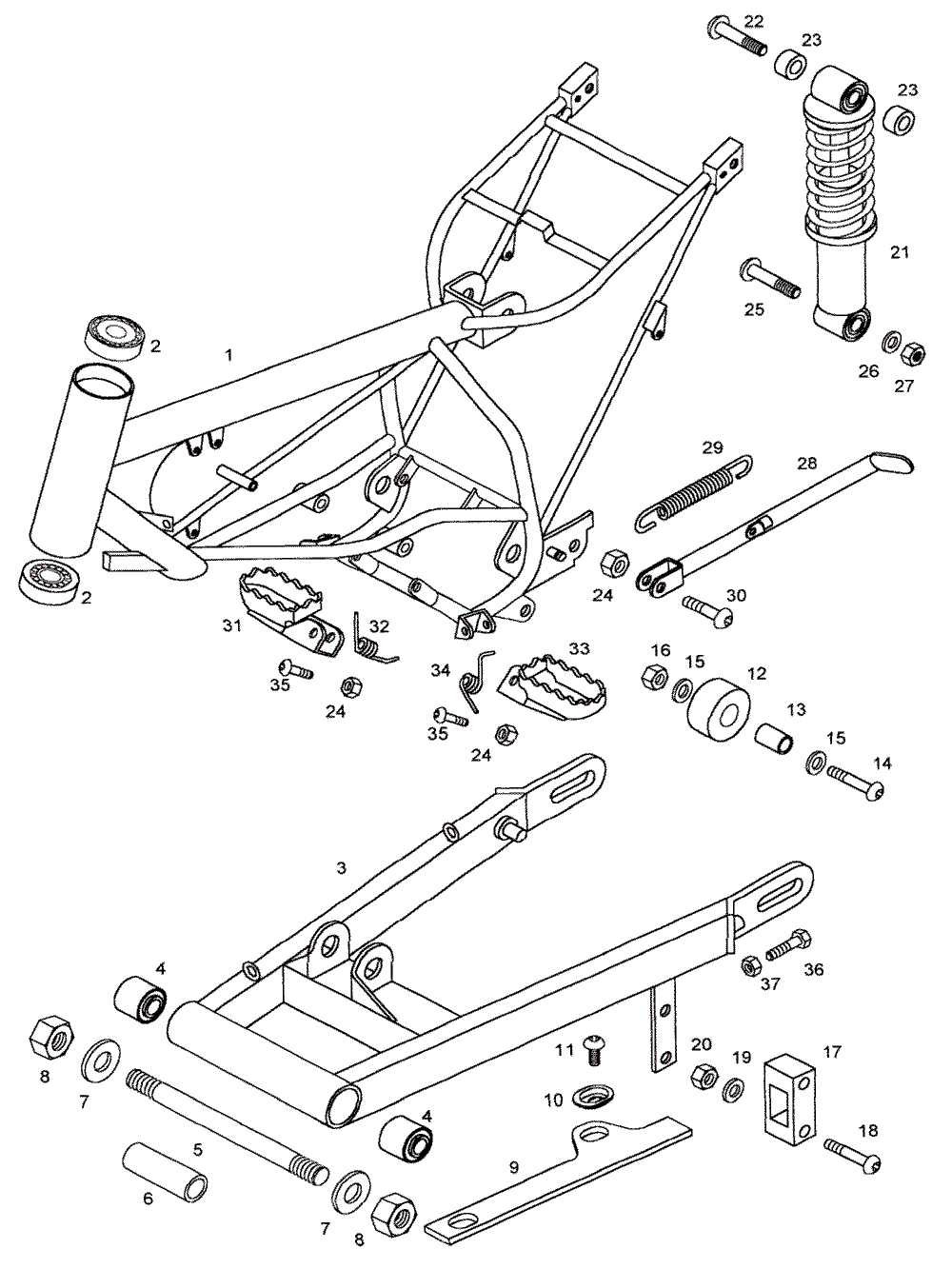
MC50 Senior X

MC50 Senior X Achtung!!! -- Wichtige Info zu Tomos Ersatzteilen

Der Vertrieb von Ersatzteilen für die Tomos Mofas-Mopeds MC50/80 Senior wurde vom Importeur SAP/MSA zum 1.11.2017 eingestellt.

Hier finden Sie noch lieferbare Ersatzteile für Tomos Modelle.

Bitte beachten Sie!!!!

Unsere Ersatzteile passen für Fahrzeuge, die über den Importeur SAP verkauft wurden.

Rot gekennzeichnete Artikel in den Teileaufstellungen unterhalb der Explosionszeichnungen sind nicht mehr lieferbar.

Gelb gekennzeichnete Artikel in den Teileaufstellungen unterhalb der Explosionszeichnungen sind nur noch in geringer Stückzahl verfügbar.



Achtung!!! 
Wenn Sie den Artikeltext anklicken öffnet sich eine neue Seite und es ist ein Foto hinterlegt!

Weitere Unterkategorien: